Elektro Grillplatte
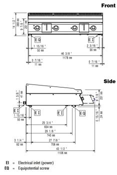
- Nutzbare Abmessungen der Kochfläche 1194x610 mm, 72,83 dm2.
- Mit einer hartverchromten Nitro-Chrom-Platte von 20 mm.
- 4 unabhängige Kochzonen.
- Einstellbar von 120°C bis 280°C, Sicherheitsthermostat.
- Hergestellt aus rostfreiem Stahl AISI 304, "Top" gepresst (20/10), Nivellierfüße, Wasserdichtigkeit "IPX5".
- Neigung der Kochplatte mit hoher thermischer Leitfähigkeit (Lebensmittelsicherheitszertifikat gemäß europäischer Verordnung CE Nr. 1935/2004), geschweißter Rand für perfekte Abdichtung.
- Auffangschublade für Kochsäfte. Elektrische Beheizung durch Edelstahl-Heizelemente, unter der Platte platziert.
- Geräte gemäß den geltenden Normen (CE) gebaut.
- Herstellung in einem Stück mit der Oberseite des Geräts selbst, Hygiene zu 100% garantiert!
- Die extra breite Oberfläche aus hart verchromtem Nitro (20 mm) ermöglicht einen intensiven Einsatz in jeder Situation.
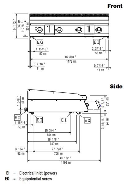
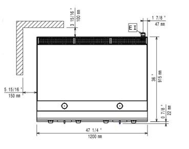
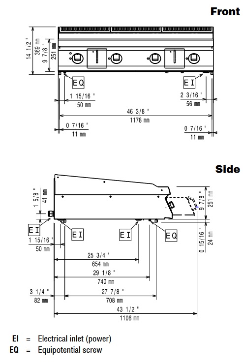
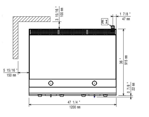
(B x T x H) mm1200 x 930 x 250(320)
kW20
Spannung400/3N 50-60Hz
Bruttogewicht (kg)170
Volumen (m³)0.68